0.00 грн
Зробити замовлення
С поправками и изменениями:
Изменение №1 к ГОСТ 10506-76 от 01.01.1984 (текст интегрирован в текст или описание стандарта)
Изменение №2 к ГОСТ 10506-76 от 01.01.1987 (текст интегрирован в текст или описание стандарта)
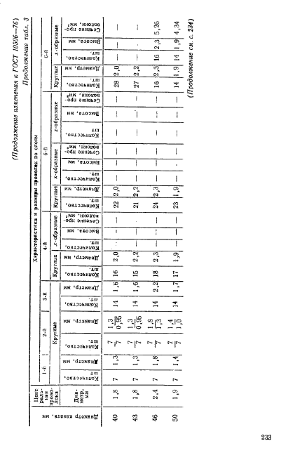
Изменение №3 к ГОСТ 10506-76 от 01.07.1991 (текст интегрирован в текст или описание стандарта)














Изменение №1 к ГОСТ 10506-76 от 01.01.1984 (текст интегрирован в текст или описание стандарта)
Изменение №2 к ГОСТ 10506-76 от 01.01.1987 (текст интегрирован в текст или описание стандарта)
Изменение №3 к ГОСТ 10506-76 от 01.07.1991 (текст интегрирован в текст или описание стандарта)














