Меню
Увага! На сайті ведуться технічні роботи. Ціни та наявність уточнюйте за телефоном.
Закрити
Інформація
Інформація
Про нас
Доставка та оплата
Повернення та обмін
Політика конфіденційності та cookies
Публічна оферта
ГОСТи
РОЗПРОДАЖ
10299-80
10300-80
10301-80
10302-80
10303-80
10304-80
10325-2012
10336-80
10337-80
10338-80
10339-80
10340-80
10341-80
10342-80
10343-80
10344-80
10450-78
10461-81
10462-81
10463-81
10464-81
10505-76
10506-76
10509-2013
10510-2013
10511-2016
10512-2016
10513-2009
10547-2012
10554-2012
10556-2012
10572-2012
10602-72
10602-94
10605-72
10605-94
10608-72
10610-72
10618-80
10619-80
10620-80
10621-80
10642-2012
10644-2017
10669-2017
10673-2017
10773-93
10774-80
10906-78
11074-93
11075-93
11371-68
11371-78
1144-80
1145-80
1146-80
1147-80
11473-75
11644-75
11648-75
11650-80
11651-80
11652-80
11738-84
11872-80
11872-89
11964-81
1207-2013
12126-2009
12126-2016
12207-79
12385-1-2015
12385-2-2015
12385-3-2015
12385-4-2015
12458-67
12459-67
12463-67
12474-2012
12638-80
12639-80
12640-80
12641-80
12642-80
12643-80
12644-80
12850-80
128501-93
128502-93
12943-67
13039-83
13428-68
13429-68
13430-68
13431-68
13432-68
13433-68
13434-68
13435-68
13438-68
13439-68
13463-77
13464-77
13465-77
13466-77
13840-68
13896-68
13897-68
13940-86
13941-86
13942-86
13943-86
14110-80
14110-97
14229-93
14579-2009
14579-2015
14580-2012
14583-2009
14583-2015
14584-2012
14585-2012
14586-2012
14587-2012
14588-2005
14589-2005
14724-69
14725-69
14727-69
14728-69
14731-69
14734-69
1476-93
1477-93
1478-93
1479-2013
1479-93
14797-85
14798-85
14799-85
14800-85
14801-85
14802-85
14803-85
1481-2013
1481-84
1482-2013
1482-84
1483-2013
1483-84
1485-84
1486-84
1488-84
1491-80
15071-2014
15072-2013
15163-78
15512-70
15521-70
15522-70
15525-70
15589-70
15590-70
15591-70
1580-2013
15973-2005
15974-2005
15977-2017
15978-2017
15979-2017
15980-2017
15981-2017
15982-2017
16016-2014
16016-79
16069-70
16853-88
17473-80
17474-80
17475-80
1759-70
17590-87
17591-82
17592-82
17593-83
17594-87
17595-87
17673-81
17679-80
17773-72
17777-72
17778-72
18123-82
18125-72
18786-80
18787-80
18792-80
18899-73
18901-73
19115-91
19119-80
19314-73
19315-73
19315-98
2009-2013
2010-2013
20130-74
20193-74
20700-75
2105-75
21331-75
21332-75
21333-75
21334-75
21335-75
21336-75
21337-75
21338-75
21664-76
2172-80
21764-76
21797-2014
21797-76
21892-76
22076-76
22194-83
22195-83
2224-93
22355-77
23157-78
23304-78
2387-80
24193-80
24194-80
24197-80
24296-80
24296-93
243790-2012
243790-80
243791-2012
243791-80
24670-81
24671-84
2524-70
2528-73
25556-82
25573-82
25815-83
25933-83
26805-2020
26805-86
26862-86
26998-86
2702-2009
2702-2015
2702-93
27320-87
28065-89
28191-89
283-75
28456-90
28457-90
28778-2023
28778-90
28848-90
28961-91
28962-91
28963-91
28964-91
30055-93
3032-76
30322-95
3033-79
3067-88
3068-88
3070-88
3071-88
3089-80
3090-73
3093-80
3097-80
3120-75
3128-70
3129-70
3241-91
4014-2013
4016-2013
4017-2013
4018-2013
4026-2013
4027-2013
4028-2013
4028-63
4029-2013
4029-63
4030-63
4032-2014
4032-63
4033-63
4034-2014
4034-63
4035-2014
4035-63
4087-69
4090-69
4161-2013
4162-2014
4762-2012
4766-2013
483-75
50076-92
50090-92
50271-92
50272-92
50273-92
50274-92
50290-92
50336-92
50337-92
50338-92
50383-92
50384-92
50385-92
50386-92
50387-92
50388-92
50389-92
50403-92
50404-92
50405-92
50406-92
50417-92
50592-93
50790-95
50791-95
50792-95
50793-95
50794-95
50795-95
50796-95
52627-2006
52628-2006
52646-2006
52854-2007
52855-2007
53772-2010
54271-2010
54889-2012
55739-2013
55740-2013
55741-2013
56731-2015
56731-2023
57355-2016
57899-2017
58359-2019
58360-2019
58386-2019
58387-2019
58430-2019
58753-2019
58768-2019
5918-73
5919-73
5931-70
5932-73
5933-73
5935-73
59571-2021
59905-2021
6402-70
6627-74
6628-73
6750-75
6958-78
7040-2014
7042-2011
7044-2009
7044-2016
7045-2013
7046-1-2013
7046-2-2013
7047-2013
7048-2013
7049-2012
7049-93
7050-2012
7050-93
7051-2014
7051-93
7092-2016
7093-1-2016
7093-2-2016
7380-1-2014
7380-2-2014
7675-73
7676-73
7719-2014
7721-2-2011
7721-2011
7783-81
7785-81
7786-81
7787-81
7795-70
7796-70
7798-70
7801-81
7802-81
7805-70
7808-70
7811-70
7817-80
799-73
8054-81
809-2014
809-2020
809-71
8144-73
8673-2014
8675-2014
8676-2013
8741-93
8742-93
8743-93
8745-93
8746-93
8747-93
8765-2013
8878-93
8918-69
8922-69
9048-69
9049-69
9051-68
9052-69
9060-69
9065-75
9464-79
9465-79
9554-2013
9649-78
9870-61
Час роботи:
Пн - Пт - 08:00 - 17:00
Сб - вихідний
Вс - вихідний
Телефони:
+380 (67) 577-73-30
+380 (66) 039-06-58
+380 (73) 577-73-30
Пошта:
vadis0675777330@gmail.com
Месенджери:
Telegram
Viber
WhatsApp
Messenger
Наша адреса:
ТОВ "ВП ВАДІС-М", Україна, м.Харків, вул.Кашуби 10
+380 (67) 577-73-30
+380 (66) 039-06-58
+380 (73) 577-73-30
Пн - Пт - 08:00 - 17:00
Сб - вихідний
Вс - вихідний
Наша адреса
ТОВ "ВП ВАДІС-М", Україна, м.Харків, вул.Кашуби 10
+380 (67) 577-73-30
+380 (66) 039-06-58
+380 (73) 577-73-30
Пн - Пт - 08:00 - 17:00
Сб - вихідний
Вс - вихідний
До контактів
Час роботи
Пн - Пт - 08:00 - 17:00
Сб - вихідний
Вс - вихідний
Доставка та оплата
Повернення та обмін
Відгуки
Гости
UA
UA
RU
Особистий кабінет
0
0
0
+380 (67) 577-73-30
+380 (67) 577-73-30
+380 (66) 039-06-58
+380 (73) 577-73-30
Замовити дзвінок
0
0.00 грн
Зробити замовлення
Список категорій
Меблеве кріплення
Монтажні вироби
Анкери
Анкери
Анкер для віконних та дверних рам
Анкери розпірні
Анкери розпірні
AN 217 Анкер клиновий
AN 229 Анкер клиновий
AN 253 Анкер MOLLY
AN 257 Анкер ETAF
AN 79 Анкер клиновий
Анкер HDA-B з болтом для високих навантажень
Анкер HDA-N з гайкою для високих навантажень
Анкер LE з кожухом
Анкер LEM з кожухом
Анкер MTA для порожнистих та листових основ
Анкер REDIBOLT
Анкер SLR дворозпірний
Анкер TFC
Анкер закритий з потайною головкою
Анкери клинові G&B
Анкери клинові G&B
Хімічні анкери
Анкери-втулки розпірні
Анкерні гвинти
Анкерні гвинти
Анкер для будівельних риштувань
Гвинт HX по бетону
Болти
Болти
Болт метричний
Болти з внутрішнім шестигранником
Болти з внутрішнім шестигранником
ART 88912 Болт з циліндричною головкою, внутрішнім шестигранником та зубчастим фланцем
DIN 6912 Болт з циліндричною головкою і внутрішнім шестигранником
DIN 7984 Болт з циліндричною головкою і внутрішнім шестигранником
DIN 7991 Болт з потайною головкою і внутрішнім шестигранником
DIN 912 Болт з циліндричною головкою і внутрішнім шестигранником
ISO 14579 Болт з циліндричною головкою під torx
ISO 14580 Болт з циліндричною зменшеною головкою під torx
ISO 7379 Болт призонний з циліндричною головкою
ISO 7380-1 Болт з напівкруглою головкою і внутрішнім шестигранником
ISO 7380-1 Болт з напівкруглою головкою під torx
ISO 7380-2 Болт з напівкруглою головкою і внутрішнім шестигранником з фланцем
ISO 7380-2 Болт з напівкруглою головкою під torx з фланцем
Болти з дюймовою різьбою
Болти з дюймовою різьбою
DIN 931 Болт с шестигранной головкой и частичной резьбой, дюймовой резьбой
Болти з дюймовою різьбою
DIN 931 Болт с шестигранной головкой и частичной резьбой UNC
DIN 931 Болт с шестигранной головкой и частичной резьбой UNF
DIN 933 Болт з шестигранною головкою і повною різьбою, дюймовою різьбою
Болти з дюймовою різьбою
DIN 933 Болт з шестигранною головкою і повною різьбою UNC
DIN 933 Болт з шестигранною головкою і повною різьбою UNF
DIN 912 Болт з циліндричною головкою і внутрішнім шестигранником з дюймовою різьбою
Болти з кільцем
Болти з кільцем
ART 8228 Рим-болт
ART 8230 Рим-болт
ART 8267 Рим-болт
DIN 444 B Болт відкидний
DIN 444 LB Болт відкидний
DIN 529-С Болт анкерний фундаментальний
DIN 580 Рим-болт
Болти з квадратною головкою / підголовником
Болти з квадратною головкою / підголовником
DIN 479 Болт з квадратною головкою
DIN 480 Болт з квадратною головкою
DIN 603 Болт з напівкруглою головкою і квадратним підголовником
DIN 607 Болт з напівкруглою головкою і виступом (вусом)
ISO 8678 Болт з напівкруглою головкою і квадратним підголовником
Спецболт 1199-G півкругла головка із квадратним підголовником
Болти з потайною головкою
Болти з потайною головкою
AN 263 Болт з потайною головкою
DIN 11014 Болт з потайною головкою та двома упорами
DIN 15237 Болт норійний
DIN 604 Болт з потайною головкою і виступом (вусом)
DIN 605 Болт з потайною головкою та гайкою
DIN 608 Болт з потайною головкою
DIN 7969 Болт з потайною головкою та прямим шліцом
DIN 7991 Болт із потайною головкою під torx
Спецболт 1199-A (DIN 608) потайной головкой и квадратним подголовником
Спецболт 1199-B (ISO 5713, DIN 11014) з потайною головкою та двома упорами
Спецболт 1199-C із одним конусним зрізом
Спецболт 1199-D із двома конусними зрізами
Спецболт 1199-E із двома конусними зрізами
Спецболт 1199-O із потайною овальною головкою та квадратним підголовником
Болти конструкційні HV
Болти конструкційні HV
DIN 6914 Болт високоміцний з шестигранною головкою
DIN 6914 Болт високоміцний конструкційнний з шестигранною головкою
DIN 7999 Болт високоміцний конструкційний з шестигранною головкою
EN 14399-4 Комплект високоміцний HV
Болти Т-подібні
Болти Т-подібні
AN 264 Болт-палець
AN 603 Болт Т-подібний
ART 9038 Болт Т-подібний
ART 9094 Болт Т-подібний
ART 9095 Болт Т-подібний
ART 9096 Болт Т-подібний
ART 9097 Болт Т-подібний
DIN 186 Болт Т-подібний
DIN 188 Болт Т-подібний
DIN 261 Болт Т-подібний з шестигранною гайкою
Болти з шестигранною головкою
Болти з шестигранною головкою
AN 261 Болт гусеничний
DIN 561-A Болт з шестигранною головкою і цапфою
DIN 561-B Болт з шестигранною головкою і цапфою
DIN 564-A Болт з шестигранною головкою і конусним кінцем
DIN 564-В Болт з шестигранною головкою і конусним кінцем
DIN 601 Болт з шестигранною головкою та гайкою
DIN 609 Болт призонний з шестигранною головкою
DIN 610 Болт призонний з шестигранною головкою
DIN 6921 Болт з шестигранною головкою і фланцем
DIN 7643 Болт з шестигранною головкою і отворами (болт Банджо)
DIN 7968 Болт призонний з шестигранною головкою
DIN 7990 Болт з шестигранною головкою і частковою різьбою та гайкою
DIN 931 Болт з шестигранною головкою і частковою різьбою
DIN 933 Болт з шестигранною головкою і повною різьбою
DIN 960 Болт з шестигранною головкою і частковою різьбою, дрібний крок різьби
DIN 961 Болт з шестигранною головкою і повною різьбою, дрібний крок різьби
ISO 4014 Болт з шестигранною головкою і частковою різьбою
Болт сегмента жатки Schumacher
Гайки
Гайки
Інші гайки
Інші гайки
AN 117 Гайка циліндрична з трапецевидною різьбою
AN 126 Гайка U-типу
AN 145 Гусеничні колісні гайки
AN 326 Гайка закладна
AN 422 Муфта різьбова до дерева
AN 87 Гайка закладна
AN 88 Гайка Еріксона з сферичною головкою
AN 89 Гайка перехідна
ART 1507 Гайка Еріксона з сферичною головкою
ART 1508 Гайка Еріксона з плоскою головкою
ART 9061 Гайка-муфта з прямим шліцом
ART 9062 Гайка-муфта з внутрішнім шестигранником
ART 9262 Гайка з внутрішнім шестигранником
ART 9305 Гайка антивандальна
DIN 1624 Гайка забивна меблева
DIN 508 Гайка T-подібна
DIN 557 Гайка квадратна
DIN 562 Гайка квадратна
Гайка анкерна для каменю
Гайка врізна меблева
Вставки / Втулки
Вставки / Втулки
AN 330 Вставка різьбова
AN 335 Вставка різьбова
AN 337 Вставка різьбова самонарізна
ART 82 Втулка шестигранна з дюймовою різьбою
ART 9058 Вставка різьбова
ART 9070 Гайка втулка циліндрична
ART 9071 Гайка втулка шестигранна
DIN 8140 Вкладка різьбова
JRN Втулка несиметрична
Гайки барашкові
Гайки барашкові
DIN 315 Гайка барашкова амер.форма
DIN 315 Гайка барашкова нім.форма
Гайки дюймові
Гайки дюймові
DIN 431 Гайка низька трубна з дюймовою різьбою
DIN 934 Гайка шестигранна з дюймовою різьбою
Гайки дюймові
DIN 934 Гайка шестигранна з дюймовою різьбою UNC
DIN 934 Гайка шестигранна з дюймовою різьбою UNF
Гайки з накаткою
Гайки з накаткою
DIN 466 Гайка з накаткою
DIN 467 Гайка з накаткою
Гайки з фланцем
Гайки з фланцем
AN 608 Гайка шестигранна з фланцем для профілів
ART 9085 Гайка комбінована шестигранна з шайбою
DIN 6331 Гайка висока шестигранна з фланцем
DIN 6923 Гайка шестигранна з фланцем
DIN 6926 Гайка самоконтряща з фланцем
DIN 6927 Гайка самоконтряща з фланцем
DIN 74361 H Гайка сферична, шестигранна з фланцем
DIN 74361 Гайка сферична, шестигранна з фланцем
Гайки ковпачкові
Гайки ковпачкові
AN 283 Ковпачок пластиковий
ART 81 Ковпачок шестигранний з дюймовою різьбою
DIN 1587 Гайка ковпачкова
DIN 917 Гайка ковпачкова
DIN 986 Гайка ковпачкова самоконтряща
Гайки конструкційні HV
Гайки конструкційні HV
DIN 6915 Гайка високоміцна конструкційна шестигранна
DIN 6915 Гайка високоміцна шестигранна
DIN 934 SB Гайка високоміцна шестигранна
Гайки корончаті
Гайки корончаті
DIN 935 Гайка корончата
DIN 937 Гайка корончата низька
DIN 979 Гайка корончата
Гайки приварні
Гайки приварні
ART 9060 Гайка приварна
ART 9064 Гайка запресована
DIN 928 Гайка квадратна приварна
DIN 929 Гайка приварна
Гайка запресована
Гайки самоконтрящі
Гайки самоконтрящі
DIN 6924 Гайка самоконтряща
DIN 6925 Гайка самоконтряща
DIN 980 Гайка самоконтряща
DIN 982 Гайка самоконтряща висока
DIN 985 Гайка самоконтряща з нейлоновим кільцем
Гайки шліцеві
Гайки шліцеві
AN 86 Гайка самоконтряща шліцева
DIN 1804 Гайка шліцева кругла
DIN 546 Гайка кругла шліцева
DIN 981 Гайка шліцева
Заглушки / Пробки різьбові
Заглушки / Пробки різьбові
AN 284 Заглушка пластикова
ART 79 Заглушка шестигранна з дюймовою різьбою
DIN 5586 Заглушка різьбова з шестигранною головкою і фланцем
DIN 7604 Заглушка різьбова з шестигранною головкою і фланцем
DIN 906 Заглушка різьбова
DIN 908 Заглушка різьбова циліндрична
DIN 909 Заглушка різьбова конічна з шестигранною головкою
DIN 910 Заглушка різьбова
Рим-гайки
Рим-гайки
DIN 319-E Сферична ручка з різьбовою вставкою
DIN 582 Рим-Гайка
DIN 80701 Гайка ричажкова
DIN 80704 Рим-гайка швартова
DIN 99-N Гайка-ручка зажимна
Гайки шестигранні
Гайки шестигранні
AN 122 Гайка шестигранна з трацепевидною різьбою
AN 379 Гайка самозаклепувальна шестигранна
AN 85 Гайка шестигранна з'єднувальна
DIN 1479 Гайка шестигранна з двома отворами
DIN 2510-5 NF Гайка шестигранна
DIN 439 Гайка шестигранна низька
DIN 555 Гайка шестигранна
DIN 6330 Гайка висока шестигранна
DIN 6334 Гайка висока шестигранна
DIN 7967 Гайка стопорна пружинна
DIN 934 Гайка шестигранна
DIN 936 Гайка низька шестигранна
ISO 4032 Гайка шестигранна
ISO 8673 Гайка шестигранна
UNI 5587 Гайка шестигранна
Фітинги різьбові
Фітинги різьбові
ART 67 Ніпель заварний з дюймовою різьбою
ART 68 Муфта-розетка з'єднувальна з дюймовою різьбою
ART 77 Ніпель з шестигранником з дюймовою різьбою
ART 78 Ніпель подовжений з дюймовою різьбою
ART 24 Муфта різьбова з дюймовою різьбою
Гвинти
Гвинти
Гвинт меблевий
Гвинти метричні
Інші гвинти
Інші гвинти
AN 68 Стяжка мебельна
ART 1316-A Гвинт з плоскою головкою під внутрішній шестигранник
ART 1317-A Гвинт з плоскою головкою під внутрішній шестигранник
ART 9078 Гвинт з кільцем
ART 9081 Гвинт з гачком
DIN 404 Гвинт з циліндричною головкою і отворами
DIN 7500 D Гвинт з шестигранною головкою і пресшайбою
DIN 7500 E Гвинт з циліндричною головкою самонарізаючий
DIN 7513 А Гвинт з шестигранною головкою самонарізаючий
DIN 7964 Гвинт невипадаючий
DIN 921 Гвинт зі збільшеною циліндричною головкою і прямим шліцом
DIN 927 Гвинт з цапфою і прямим шліцом
Гвинти антивандальні
Гвинти антивандальні
ART 9101 Гвинт антивандальний з напівкруглою головкою
ART 9103 Гвинт антивандальний з потайною головкою
ART 9111 Гвинт антивандальний з напівкруглою головкою
ART 9113 Гвинт антивандальний з потайною головкою
ART 9121 Гвинт антивандальний з напівкруглою головкою
ART 9123 Гвинт антивандальний з потайною головкою
ART 9131 Гвинт антивандальний з напівкруглою головкою
ART 9155 Гвинт антивандальний
Гвинти з накаткою
Гвинти з накаткою
DIN 464 Гвинт з накатаною головкою
DIN 465 Гвинт з накаткою і прямим шліцем
DIN 653 Гвинт з накаткою
Гвинти з напівкруглою головкою
Гвинти з напівкруглою головкою
AN 605 Гвинт з напівкруглою головкою для профілів
DIN 7500 C Гвинт з напівкруглою головкою самонарізаючий
DIN 7513 B Гвинт з циліндричною головкою самонарізаючий
DIN 7516 А Гвинт з напівкруглою головкою самонарізаючий
DIN 7985 Гвинт з напівкруглою головкою
DIN 84 Гвинт з напівкруглою головкою і прямим шліцом
DIN 85 Гвинт з напівкруглою головкою і прямим шліцом
DIN 920 Гвинт з напівкруглою зменшеною головкою
DIN 967 Гвинт з напівкруглою головкою і пресшайбою
ISO 14583 Гвинт з напівкруглою головкою під torx
NFE 25-129 Гвинт з напівкруглою головкою і хрестоподібним шліцом
NFE 27-128 Гвинт з напівкруглою головкою і прямим шліцом
Гвинти з напівпотайною головкою
Гвинти з напівпотайною головкою
DIN 7516 E Гвинт з напівпотайною головкою самонарізаючий
DIN 964 Гвинт з напівпотайною головкою і прямим шліцом
DIN 966 Гвинт з напівпотайною головкою
ISO 14584 Гвинт з напівпотайною головкою під torx
Гвинти з потайною головкою
Гвинти з потайною головкою
ART 3401 Гвинт конфірмат з потайною головкою
DIN 7500 M Гвинт з потайною головкою самонарізаючий
DIN 7516 D Гвинт з потайною головкою самонарізаючий
DIN 963 Гвинт з потайною головкою і прямим шліцом
DIN 965 Гвинт з потайною головкою
ISO 14581 Гвинт з потайною головкою під torx
Гвинти приварні
Гвинти приварні
AN 357 Гвинт запресовочний
ISO 13918-PT Гвинт приварний
ISO 13918-ІT Втулка приварна
Гвинти установочні
Гвинти установочні
AN 420 Гвинт установочний з прямим шліцом і кулькою
AN 432 Гвинт з кулькою
DIN 417 Гвинт установочний з циліндричним кінцем і прямим шліцом
DIN 427 Гвинт установочний з прямим шліцом
DIN 438 Гвинт установочний з прямим шліцом і засверленим кінцем
DIN 551 Гвинт установочний з прямим шліцом і плоским кінцем
DIN 553 Гвинт установочний з прямим шліцом і конічним кінцем
DIN 913 Гвинт установний з внутрішнім шестикутником та плоским кінцем
DIN 913 Гвинт установочний з внутрішнім шестигранником
DIN 914 Гвинт установний з внутрішнім шестикутником та конічним кінцем
DIN 915 Гвинт установочний з внутрішнім шестигранником і цапфою
DIN 916 Гвинт установочний з внутрішнім конусом
DIN 923 Гвинт ступінчастий установчий з циліндричною головкою і прямим шліцом
Гвинти барашкові
Гвинти барашкові
DIN 316 Гвинт барашковий амер. форма
DIN 316 Гвинт барашковий нім. форма
Дюбелі
Дюбелі
Дюбелі для пустотілих основ
Дюбелі гіпсокартонні
Дюбелі гіпсокартонні
AN 289 Дюбель пластиковий для ізоляції
AN 302 Анкер для гіпсокартону
AN 309 Дюбель для гіпсокартону
Дюбель ETNF
Дюбель TZ
Дюбелі сталеві
Дюбелі сталеві
AN 214 Дюбель в бетон з внутрішньою різьбою (Анкер)
AN 215 Дюбель забивний (Анкер)
AN 216 Дюбель (Анкер)
AN 306 Дюбель швидкого монтажу (Анкер)
Дюбелі універсальні
Дюбелі універсальні
Дюбель ПСМТ Т-подібний
AN 244 Дюбель універсальний
AN 250 Дюбель для швидкого монтажу з ударним шурупом
AN 301 Дюбель нейлоновий для бетону
AN 303 Дюбель для бетону
AN 304 Дюбель поліпропіленовий для бетону
NB Дюбель з буртиком
Анкер T88 з шурупом
Дюбель T6
Дюбель TPFC
Дюбель UCX з ударним шурупом, з циліндричним буртиком
Дюбелі для теплоізоляції
Дюбелі для теплоізоляції
DPP Дюбель для пінопласту
GOK Дюбель тарілчастий для покрівлі
Дюбелі фасадні
Заклепки
Заклепки
Інші заклепки
Інші заклепки
AN 402 Заклепка-клема витяжна
DIN 7338-A Заклепка з плоскою головкою
DIN 7338-B Заклепка забивна, пустотіла з плоскою головкою
DIN 7338-С Заклепка забивна, пустотіла з плоскою головкою
Заклепка-клема витяжна
Шпилька клепальна
Заклепки витяжні
Заклепки витяжні
Заклепка Hard Lock
Заклепка MULTIGRIP багатозажимна
Заклепка Trebol
Заклепка витяжна герметична з плоским буртиком
Заклепка витяжна герметична з плоским збільшеним буртиком
Заклепка витяжна герметична з плоским потайним буртиком
Заклепка витяжна з плоским буртиком
Заклепка витяжна з плоским збільшеним буртиком
Заклепка витяжна з плоским потайним буртиком
Заклепка для дерева рифлена
Заклепка усилена з подвійним замком, конструкційна
Заклепка чотирьохпелюсткова
Клепальні гайки
Клепальні гайки
AN 247 Клепальна гайка Jack Nut
AN 310 Клепальна гайка з буртиком гладка
AN 315 Клепальна гайка з буртиком рифлена
AN 318 Клепальна гайка з потайним буртиком рифлена
AN 320 Клепальна гайка з потайним буртиком рифлена (малий потай)
AN 322 Клепальна гайка шестигранна з буртиком
AN 323 Клепальна гайка шестигранна з потайним буртиком
AN 324 Клепальна гайка з буртиком рифлена герметична
AN 325 Клепальна гайка з потайним буртиком рифлена герметична
ART 9317 Клепальна гайка частково шестигранна з буртиком
ART 9318 Клепальна гайка частково шестигранна з потайним буртиком
Клепальна гайка з плоским буртиком
Клепальна гайка з потайним буртиком
Клепальна гайка зі збільшеним буртиком
Клепальна гайка зі зменшеним буртиком
Клепальна гайка циліндрична з плоским буртиком
Клепальна гайка циліндрична з потайним буртиком
Клепальна гайка циліндрична зі збільшеним буртиком
Клепальна гайка циліндрична зі зменшеним буртиком
Клепальна гайка частково шестигранна з плоским буртиком
Клепальна гайка частково шестигранна з потайним буртиком
Клепальна гайка частково шестигранна зі збільшеним буртиком
Клепальна гайка частково шестигранна зі зменшеним буртиком
Клепальна гайка шестигранна зі збільшеним буртиком
Клепальна гайка шестигранна зі зменшеним буртиком
Заклепки під молоток
Заклепки під молоток
DIN 660 Заклепка під молоток з напівкруглою головкою
DIN 661 Заклепка під молоток з потайною головкою
DIN 662 Заклепка під молоток з напівпотайною головкою
DIN 674 Заклепка під молоток з напівкруглою низькою головкою
Кріплення для сонячних панелей
Кріплення для сонячних панелей
AN 601 Гайка для профілів
AN 602 Гайка прижимна для профіля
AN 604 Гайка прижимна для профіля
AN 606 Гайка прижимна для профіля
AN 607 Гайка прижимна для профіля
AN 612 Болт Т-подібний
ART 613 Гайка монтажна
ART 9082 Гвинт-шуруп комбінований (сантехшпилька)
ART 9082 Шайба-прокладка EPDM
ART 9199 Гайка квадратна
ART 9211 Гвинт-шуруп комбінований (сантехшпилька)
ART 9431 Гайка прижимна для профіля
ART 9521 Кронштейн кріплення для сонячних систем
ART 9525 Кронштейн кріплення для сонячних систем
ART 9543 Пластина перехідна
ART 9583 Зажим під кутом
ART 9583 Затискач для швів під кутом
ART 9742 Модуль для скла AluF22 EPDM
ART 9745 Модуль для стекла AluF22 EPDM
Оснастка для яхт
Оснастка для яхт
Інше
Інше
ART 8144 Палець
ART 8155 Кільце для ключів
ART 8161 Швартовий амортизатор
ART 8190 Пояс обшивки
ART 8191 Пояс обшивки
ART 8229 Кільце
ART 8302 Якір
ART 8376 Напівкільце дельта
Гаки
Гаки
ART 8160 S-Гачок симетричний
ART 8370 Гачок для одягу
ART 8375 Гачок для одягу
ART 8384 Гачок
DIN 689 Гак такелажний
Замки
Замки
ART 8050 Замок
ART 8053 Замок
ART 8081 Замок
ART 8117 Замок
ART 8181 Замок
Кнехти і клюзи
Кнехти і клюзи
ART 8100 Кнехт швартовий
ART 8219 Полуклюз відкритий лівий і правий
ART 8220 Полуклюз прямий
Обушки
Обушки
ART 8223 Обушок на ромбовій основі
ART 8224 Обушок на прямокутній основі
ART 8225 Обушок на квадратній основі
ART 8264 Обушок на ромбовій основі
ART 8265 Обушок з кільцем
ART 8266 Обушок
ART 8353 Обушок на круглій основі
ART 8396 Обушок на квадратній основі
ART 8397 Обушок з кільцем
Петлі
Петлі
ART 27 Петля
ART 8018 Петля
ART 8041 Петля 55x40
ART 8043 Петля 130x40
ART 8044 Петля 70x40
ART 8045 Петля
ART 8046 Петля
ART 8047 Петля
ART 8048 Петля 185x40
ART 8049 Петля
ART 8130 Петля
ART 8150 Петля
ART 8151 Петля 90x60
ART 8152 Петля 95x60
ART 8233 Петля
ART 8234 Петля
ART 8235 Петля
ART 8237 Петля
ART 8238 Петля 71x28
ART 8280 Петля
ART 8281 Петля
ART 8321 Петля
ART 8428 Петля
ART 8429 Петля
Такелажні блоки
Такелажні блоки
AN 109 Такелажний блок одинарний
AN 110 Такелажний блок одинарний з вертлюгом
AN 111 Такелажний блок подвійний
ART 8369 Такелажний блок з вертлюгом
ART 8389 Блок такелажний одношківний з пальцем
ART 8390 Подвійний блок такелажний з вертлюгом
ART 8392 Такелажний блок з вертлюгом
ART 8393 Такелажний блок з вертлюгом
Утки
Утки
ART 8217 Утка швартова з 4 отворами
ART 8218 Утка швартова з 4 отворами
ART 8232 Утка швартова потайна
ART 8298 Утка швартова з 2 отворами
ART 8367 Утка швартова
Наконечники
Оковки і кронштейни
Оковки і кронштейни
ART 8127 Оковка
ART 8226 Оковка
ART 8272 Кронштейн
ART 8274 Кронштейн
ART 8328 Кронштейн
ART 8329 Кронштейн
ART 8366 Оковка
Піни, Клеї, Герметики
Піни, Клеї, Герметики
Герметики
Герметики
Герметики акрилові
Герметики поліуретанові
Герметики силіконові
Герметики спеціальні
Клеї
Клеї
T-REX монтажні клеї посилені волокном
Клеї для деревини
Клеї для покриттів
Клеї конструкційні
Клеї монтажні
Клеї-герметики на основі SMX-polymer
Піни
Піни
Піни для ручного застосування
Піни під пістолет
Саморізи
Саморізи
Саморіз зі свердлом
Саморізи по металу
Саморізи з буром
Саморізи з буром
AN 208 Саморіз з потайною головкою та буром для гіпсокартону метал
AN 209 Саморіз з потайною головкою віконний
AN 211 Саморіз з шестигранною головкою і шайбою EPDM
AN 212 Саморіз з шестигранною головкою і шайбою EPDM
ART 9040 Саморіз по дереву Super-Drill CSK з потайною головкою та буром під TORX
DIN 7504 K Саморіз з шестигранною головкою і буром
DIN 7504 KL Саморіз з шестигранною головкою і буром та прямим шліцом
DIN 7504 KO Саморіз з шестигранною головкою з буром і шайбою EPDM
DIN 7504 M(N) Саморіз з напівкруглою головкою і буром
DIN 7504 O Саморіз з потайною головкою і буром
DIN 7504 P Саморіз з потайною головкою і буром
DIN 7504 Q Саморіз із напівпотійною головкою та буром PH
DIN 7504 T Саморіз з напівкруглою головкою і прес-шайбою з буром
DIN 7504-W Саморіз з потайною головкою і буром віконний
DIN 7504-WM Саморіз з потайною головкою і буром
DIN 7504-WMr Саморіз з потайною головкою і буром
DIN 7504-Wr Саморіз з потайною головкою і буром віконний з насічками
ISO 15480 K Саморіз з шестигранною головкою
Саморізи STITCHER (Гвинти)
Саморізи з напівкруглою головкою
Саморізи з напівкруглою головкою
ART 9065 Саморіз з напівкруглою головкою і хрестоподібним шліцом
ART 9066 Саморіз з напівкруглою головкою і шайбою поліамід
ART 9100 Саморіз антивандальний з напівкруглою головкою
ART 9105 Саморіз антивандальний з напівкруглою головкою
ART 9110 Саморіз антивандальний з напівкруглою головкою
ART 9125 Саморіз з напівкруглою головкою під torx
DIN 7971-C Саморіз з напівкруглою головкою і прямим шліцом
DIN 7971-F Саморіз з напівкруглою головкою і прямим шліцом
DIN 7981-C Саморіз з напівкруглою головкою
DIN 7981-F Саморіз з напівкруглою головкою
DIN 968 Саморіз з напівкруглою головкою і прес-шайбою
ISO 14585-C Саморіз з напівкруглою головкою під torx
ISO 14585-F Саморіз з напівкруглою головкою під torx
Саморізи з напівпотайною головкою
Саморізи з напівпотайною головкою
AN 171 Саморіз для термопластику
ART 9104 Саморіз антивандальний з напівпотайною головкою
ART 9120 Саморіз антивандальний з напівкруглою головкою
DIN 7973 Саморіз з напівпотайною головкою і прямим шліцом
DIN 7983 Саморіз з напівпотайною головкою
ISO 14587 Саморіз з напівпотайною головкою під torx
Саморізи з шестигранною головкою
Саморізи з шестигранною головкою
AN 213 Саморіз з шестигранною головкою для сендвіч-панелей з шайбою EPDM
ART 7504-17s Саморіз Timberfast з шестигранною головкою та пресшайбою EPDM
ART 9051 Саморіз з циліндричною головкою і внутрішнім шестигранником
ART 9057 тип A Саморіз з шестигранною головкою і шайбою EPDM 16мм
ART 9057 тип B Саморіз з шестигранною головкою і шайбою EPDM 16мм
ART 9059 тип A Саморіз з шестигранною головкою і шайбою EPDM 19мм
ART 9059 тип B Саморіз з шестигранною головкою і шайбою EPDM 19мм
ART 9098 тип A Саморіз з шестигранною головкою і шайбою EPDM 22мм
ART 9098 тип B Саморіз з шестигранною головкою і шайбою EPDM 22мм
DIN 6928-C Саморіз з шестигранною головкою і прес-шайбою
DIN 7976 Саморіз з шестигранною головкою
ISO 7053-C Саморіз з шестигранною головкою і прес-шайбою
Саморізи з потайною головкою
Саморізи з потайною головкою
AN 206 Саморіз з потайною головкою для гіпсокартону метал
AN 207 Саморіз з потайною головкою для гіпсокартону дерево
AN 210 Саморіз для вікон із потайною головкою
ART 9042 Саморіз з потайною головкою під torx
ART 9102 Саморіз антивандальний з потайною головкою
ART 9112 Саморіз антивандальний з потайною головкою
ART 9122 Саморіз антивандальний з потайною головкою
DIN 7504-WL Саморіз з потайною головкою і буром віконний з насічками
DIN 7504-WSM Саморіз з потайною головкою і буром віконний з насічками
DIN 7972 Саморіз з потайною головкою і прямим шліцом
DIN 7982-C Саморіз з потайною головкою
DIN 7982-F Саморіз з потайною головкою
EB 89700 C Саморіз з потайною головкою під torx
ISO 14586-C Саморіз з потайною головкою під torx
ISO 14586-F Саморіз з потайною головкою під torx
SDS-G Саморіз з потайною головкою для покрівлі
WS HI-LO Саморіз з потайною головкою PH для ПВХ
WS Саморіз з потайною головкою PH для ПВХ
WSr Саморіз з потайною головкою PH з насічками для ПВХ
Такелаж
Такелаж
Зажими для тросу
Зажими для тросу
AN 116 Зажим стальний
AN 124 Шворінь із пружинним захистом
AN 92 Кільце з'єднувальне
ART 8322 Норсеман з кільцем
ART 8323 Норсеман з вилкою
ART 8324 Наконечник для тросу
ART 8326 Норсеман з різьбою
ART 8330 Зажим для тросу SIMPLEX з однією гайкою
ART 8331 Зажим для тросу DUPLEX з двома гайками
ART 8374 Палець такелажний
ART 8424 Зажим для тросу хрестовий
ART 8426 Зажим для тросу DOUBLE
ART 8427 Зажим для тросу гвинтовий
ART 8620 Наконечник для тросу з лівою різьбою
DIN 1142 Зажим для тросу з двома гайками
DIN 3093 Зажим для тросу
DIN 6899 Коуш
DIN 71752 G Вилочна головка
DIN 741 Зажим для тросу з двома гайками
Карабіни
Карабіни
ART 8001 Карабін пожежний
ART 8002 Карабін пожежний з кільцем
ART 8004 Карабін пожежний з муфтою
ART 8005 Карабін пожежний з кільцем і муфтою
ART 8010 Карабін пожежний
ART 8054 Карабін пожежний дельта
ART 8055 Карабін пожежний дельта з кільцем
ART 8153 Карабін з відкритим кільцем
ART 8250 Карабін пожежний з кільцем
ART 8251 Карабін литий з пружинною засувкою
ART 8252 Карабін відчіпний з вертлюгом
ART 8253 Карабін гвинтовий
ART 8254 Вертлюг кільце-кільце
ART 8255 Вертлюг вилка-кільце
ART 8256 Вертлюг вилка-вилка
ART 8257 Карабін зацепний з вертлюгом
ART 8297 Карабін відчіпний з мочкою
ART 8303 Карабін для строп з вертлюгом
ART 8661 Карабін відчіпний з вертлюгом
DIN 5299 C Карабін пожежний
Ланцюги
Ланцюги
ART 8308 Ланка з'єднувальна
DIN 5685 Ланцюг коротка ланка
DIN 763 Ланцюг довга ланка
DIN 766 Ланцюг коротка ланка
Скоби
Скоби
AN 98 Скоба такелажна
ART 8258 Скоба такелажна
ART 8259 Скоба такелажна
ART 8260 Скоба такелажна
ART 8261 Скоба такелажна
ART 8262 Скоба з вилкою
ART 8288 Скоба такелажна
ART 8334 Скоба такелажна
ART 8358 Скоба такелажна
ART 8359 Скоба такелажна
ART 8360 Скоба такелажна
DIN 82101 A Скоба пряма такелажна
Троси
Троси
ART 8035 Трос жорсткий, плетення 1х19
ART 8036 Трос нержавіючий м'ягкий, плетення 7х19
DIN 3052 Трос плетення 1х7
DIN 3055 Трос сталевий
DIN 3060 Трос плетення 6х19
ISO 2408 Трос плетення 6х12
Талрепи
Талрепи
AN 99 Талреп відкритий
ART 8021 Талреп вилка-вилка
ART 8245 Талреп закритий вилка-вилка
ART 8246 Талреп відкритий
ART 8275 Талреп
DIN 1478 Талреп закритий
DIN 1480 Талреп відкритий
Хомути, кляймери
Хомути, кляймери
Стяжки кабельні
Стяжки кабельні
AN 114 Кабельна стяжка
Хомути
Хомути
AN 64 Z Замок для хомута DIN 3017-A
ART 3017 Хомут силовий
ART 3018 Хомут пружинний
ART 60 Хомут трубний з дюймовою різьбою
ART 7354 Хомут
ART 7460 Хомут
ART 8461 Хомут
DIN 3016 Хомут з підкладкою EPDM
DIN 3017-A Хомут черв'ячний
DIN 3017-C Хомут силовий
DIN 3567 Хомут трубний
DIN 3570 Хомут U-подібний
DIN 3575 Хомут П-подібний
S-Хомут
~ DIN 3021 Хомут пружинний
Хомут CT-CLIP
Хомут ECAV
Хомут ECLIP
Хомут FL
Хомут V вентиляційний
Хомут затяжний з ключем
Кляймери
Шайби
Шайби
Інші шайби
Інші шайби
ART 9055 Шайба з EPDM
DIN 470 Шайба/заглушка глуха
DIN 6319-C Шайба сферична
DIN 6319-D Шайба сферична
DIN 6319-G Шайба сферична
NFE 25-511-L Шайба контактна
NFE 25-511-M Шайба контактна
NFE 25-511-N Шайба контактна
NFE 25-511-N Шайба контактна зубчаста
NFE 27-619 Шайба конусна (розетка)
Стопорні кільця
Стопорні кільця
DIN 471 Кільце стопорне зовнішнє
DIN 472 Кільце стопорне внутрішнє
DIN 5417 Кільце стопорне
DIN 6799 Кільце стопорне
DIN 705 Кільце установче
DIN 7993-A Кільце стопорне зовнішнє
DIN 7993-B Кільце стопорне внутрішнє
DIN 983 Кільце стопорне зовнішнє
Шайби Nord-Lock
Шайби Nord-Lock
AN 133 Шайба Nord Lock
AN 134 Шайба Nord Lock
DIN 25201 Шайба Heico-lock
Шайби Starlock
Шайби Starlock
AN 82 Шайба Starlock
AN 83 Шайба Starlock з ковпачком
Шайби конструкційні HV
Шайби конструкційні HV
DIN 6916 Шайба високоміцна
Шайби плоскі
Шайби плоскі
ART 9054 Шайба збільшена
DIN 1052 Шайба для дерев'яних конструкцій
DIN 125 Шайба плоска
DIN 126 Шайба плоска
DIN 1440 Шайба плоска посилена
DIN 1441 Шайба плоска
DIN 433 Шайба зменшена
DIN 436 Шайба квадратна
DIN 440 R Шайба збільшена
DIN 440 V Шайба збільшена
DIN 462 Шайба з внутрішнім виступом
DIN 463 Шайба стопорна з двома лапками
DIN 6340 Шайба посилена
DIN 7349 Шайба посилена
DIN 7603 Шайба (Уплотнительное кольцо)
DIN 7989 Шайба посилена
DIN 9021 Шайба збільшена
DIN 988-PS Шайба регулювальна
DIN 988-SS Шайба регулювальна
NFE 25-514 Шайба плоска
Шайби пружинні
Шайби пружинні
AN 130 Шайба тарільчаста пружинна Schnorr
DIN 127-B Шайба пружинна (Гровер)
DIN 128-A Шайба стопорна пружинна
DIN 128-B Шайба стопорна пружинна
DIN 137 Шайба пружинна хвиляста
DIN 2093 Шайба пружинна тарільчаста
DIN 6796 Шайба тарільчаста
DIN 74361 C Гровер усилений
DIN 7980 Шайба пружинна (Гровер)
Шайби стопорні
Шайби стопорні
AN 120 Шайба стопорна
AN 121 Шайба стопорна Schnorr
AN 131 Шайба стопорна Schnorr S
AN 132 Шайба стопорна
ART 9093 Шайба стопорна
DIN 432 Шайба стопорна з зовнішнім виступом
DIN 5406 Шайба багатолапчаста
DIN 6797-A Шайба стопорна зубчаста
DIN 6797-J Шайба стопорна зубчаста
DIN 6797-V Шайба стопорна зубчаста
DIN 6798-A Шайба стопорна зубчаста
DIN 6798-D Шайба стопорна зубчаста
DIN 6798-J Шайба стопорна зубчаста
DIN 6798-V Шайба стопорна зубчаста
DIN 93 Шайба стопорна з лапкою
Шайби косі
Шайби косі
DIN 434 Шайба коса
DIN 435 Шайба коса
Шпильки різьбові
Шпильки різьбові
DIN 2510 NF Шпилька для фланцевих з'єднань
DIN 525 Шпилька різьбова з приварною гайкою
DIN 835 Шпилька різьбова з допуском 2D
DIN 938 Шпилька різьбова з допуском 1d
DIN 939 Шпилька різьбова з допуском 1,25d
DIN 975 Шпилька з дюймовою різьбою UNC
DIN 975 Шпилька з дюймовою різьбою UNF
DIN 975 Шпилька з трапецеподібною різьбою
DIN 975 Шпилька різьбова
Різьбова шпилька RG M FISCHER
Шплінти
Шплінти
Шплінти з кільцем
Шплінти з кільцем
AN 72 Шплінт D-подібний для труб
ART 7383 Кільце-шплінт
DIN 11023 Шплінт з кільцем пружинний
Шплінти пружинні
Шплінти пружинні
DIN 11024 Шплінт пружинний Форма D
DIN 11024 Шплінт пружинний Форма E
Шплінти розвідні
Шплінти розвідні
DIN 94 Шплінт розвідний
Штифти
Штифти
Шпонки
Шпонки
DIN 6880 Шпонка стальна (L=1000)
DIN 6885 Шпонка стальна
DIN 6887 Шпонка стальна
DIN 6888 Шпонка сегментна напівкругла
Штифти циліндричні
Штифти циліндричні
DIN 1434 B Штифт циліндричний
DIN 1444-B Штифт з низькою головкою з отвором
DIN 1473 Штифт циліндричний з насічкою
DIN 1474 Штифт забивний циліндричний з насічкою
DIN 1475 Штифт циліндричний з центральною насічкою
DIN 1476 Штифт циліндричний з напівкруглою головкою
DIN 1477 Штифт циліндричний з потайною головкою та насічкою
DIN 1481 Штифт пружинний циліндричний
DIN 6325 Штифт циліндричний закалений
DIN 7 Штифт циліндричний
DIN 7343 Штифт циліндричний пружинний
DIN 7344 Штифт циліндричний пружинний
DIN 7346 Штифт пружинний циліндричний з прорізом
DIN 7979 Штифт циліндричний з внутрішньою різьбою
Штифти конусні
Штифти конусні
DIN 1 Штифт конусний
DIN 1471 Штифт конусний з насічкою
DIN 1472 Штифт конусний з насічкою
DIN 258 Штифт конічний з різьбовою цапфою
DIN 7977 Штифт конічний з різьбою та цапфою
DIN 7978 Штифт конусний з внутрішньою різьбою
ISO 2339 Штифт конусний
Шурупи
Шурупи
Шурупи по дереву
Шурупи універсальні
Шурупи-саморізи по пластику
Шурупи з кільцем / гачком
Шурупи з кільцем / гачком
Гак-шуруп форма L
Шуруп з гачком, форма С
Шуруп з кільцем, форма O
Шурупи з кільцем / гачком
AN 303 Шуруп з кільцем
Шурупи з напівкруглою головкою
Шурупи з напівкруглою головкою
AN 115 Шуруп з напівкруглою головкою і прес-шайбою під torx
AN 127 Шуруп з напівкруглою головкою і прес-шайбою під torx
AN 204 Шуруп з напівкруглою головкою і прес-шайбою
AN 745 Шуруп з напівкруглою головкою для термопластика
ART 88093 Шуруп з напівкруглою головкою SPAX
ART 9048 Шуруп з напівкруглою головкою
ART 9083 Шуруп з напівкруглою головкою під torx
ART 9091 Шуруп з напівкруглою головкою для термопластика з хрестоподібним шліцом
DIN 7996 Шуруп з напівкруглою головкою і хрестоподібним шліцом
DIN 96 Шуруп з напівкруглою головкою і прямим шліцом
Шурупи з напівпотайною головкою
Шурупи з напівпотайною головкою
ART 88092 Шуруп з напівпотайною головкою SPAX
ART 9043 Шуруп для терасної дошки під torx
ART 9049 Шуруп з напівпотайною головкою
ART 9067 Шуруп з напівпотайною головкою і шайбою EPDM
ART 9068 Шуруп з напівпотайною головкою і шайбою EPDM 20мм
ART 9069 Шуруп з напівпотайною головкою і шайбою EPDM 25мм
ART 9087 Шуруп з напівпотайною головкою і шайбою EPDM 15мм torx
ART 9088 Шуруп з напівпотайною головкою і шайбою EPDM 20мм torx
ART 9089 Шуруп з напівпотайною головкою і шайбою EPDM 25мм torx
DIN 7995 Шуруп з напівпотайною головкою і хрестоподібним шліцом
DIN 95 Шуруп з напівпотайною головкою і прямим шліцом
Шурупи з потайною головкою
Шурупи з потайною головкою
AN 112 Шуруп з потайною головкою під torx
ART 034.01 Гвинт конфірмат з потайною головкою
ART 1101 Шуруп з потайною головкою
ART 88091 Шуруп з потайною головкою SPAX
ART 88094 Шуруп з потайною головкою SPAX
ART 88099 Шуруп з потайною головкою SPAX
ART 88188 Шуруп для вікон з потайною головкою SPAX
ART 88189 Шуруп для фурнітури в дерев'яних профілях з потайною головкою SPAX
ART 88190 Шуруп для штапіка з потайною головкою SPAX
ART 9044 Шуруп з потайною головкою і буром під torx
ART 9050 Шуруп універсальний з потайною головкою
ART 9063 Шуруп з потайною головкою і хрестоподібним шліцом
ART 9090 Шуpуп з потайною головкою для термопластика з хрестоподібним шліцом
ART 9092 Шуруп з потайною головкою з хрестоподібним шліцом
ART 9142 Шуруп з потайною головкою під torx
ART 9143 Шуруп з потайною головкою під torx
ART 9241 Шуруп з потайною головкою i буром під torx
ART 9242 Шуруп з потайною головкою i буром під torx
DIN 7997 Шуруп з потайною головкою і хрестоподібним шліцом
DIN 97 Шуруп з потайною головкою і прямим шліцом
Шурупи з шестигранною головкою
Шурупи з шестигранною головкою
DIN 571 Шуруп сантехнічний з шестигранною головкою
WB6P Шуруп з шестигранною головкою для сендвіч панелей Wkret-Met
Шурупи для бетону
Шурупи для бетону
ART 9001-A Шуруп по бетону з потайною головкою під torx
ART 9001-B Шуруп по бетону з шестигранною головкою та фланцем
ART 9001-C Шуруп по бетону під шестигранний ключ
ART 9001-D Шуруп по бетону з напівкруглою головкою під torx
Шурупи для термопластика PLASFAST
Шурупи конструкційні
Шурупи для гіпсокартону
Шайби, кільця
Шайби, кільця
Стопорні кільця
Стопорні кільця
DIN 471 Кільце стопорне зовнішнє
DIN 6799 Кільце стопорне
DIN 472 Кільце стопорне внутрішнє
Шайби Nord-Lock
Шайби Nord-Lock
AN 742 Шайба стопорна Nord-Lock
DIN 25201 Шайба Heico-lock
AN 133 Шайба Nord Lock
Шайби конструкційні HV
Шайби конструкційні HV
DIN 6916 Шайба високоміцна конструкційна
Шайби пружинні
Шайби пружинні
DIN 127-A Шайба пружинна (Гровер)
DIN 128-A Шайба стопорна пружинна
DIN 7980 Шайба пружинна (Гровер)
7XS00 VS Шайба пружинна з насічками
Шайби плоскі
Шайби плоскі
DIN 433 Шайба зменшена
DIN 440 R Шайба збільшена
DIN 7349 Шайба посилена
DIN 9021 Шайба збільшена
DIN 988 Шайба регулювальна
DIN 125 Шайба плоска
Iнструменти
Iнструменти
Бури і свердла
Відрізні круги
Мастильне обладнання
Мастильне обладнання
Мастильні шприци
Мастильне обладнання
Мастильний шприц 70/PK
Мастильний шприц UMETA
Насадки на пресмаслянки
Шланги та трубки
Пресмаслянки
Мастильне обладнання
AN 282 Байонетная пресс-масленка
DIN 3402 Пресмаслянка з півкруглою головкою
DIN 3404 Пресмаслянка з плоскою головкою
DIN 3405 Пресмаслянка воронкоподібна
DIN 71412 Пресмаслянка під запресовку
DIN 71412-S Пресмаслянка з самонарізною різьбою
DIN 71412 Пресмаслянка гідравлічна
Монтажні біти
Монтажні біти
Біта ударна TACTIX
Монтажні пістолети
Монтажні пістолети
Монтажні пістолети для заклепок
Монтажні пістолети для клепальних гайок
Набори витратних матеріалів
Шарнірні з'єднання
Інші інструменти
Інше
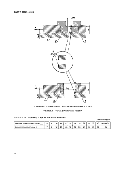
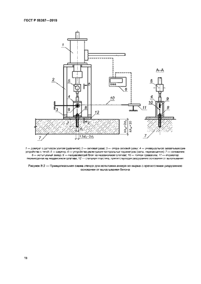
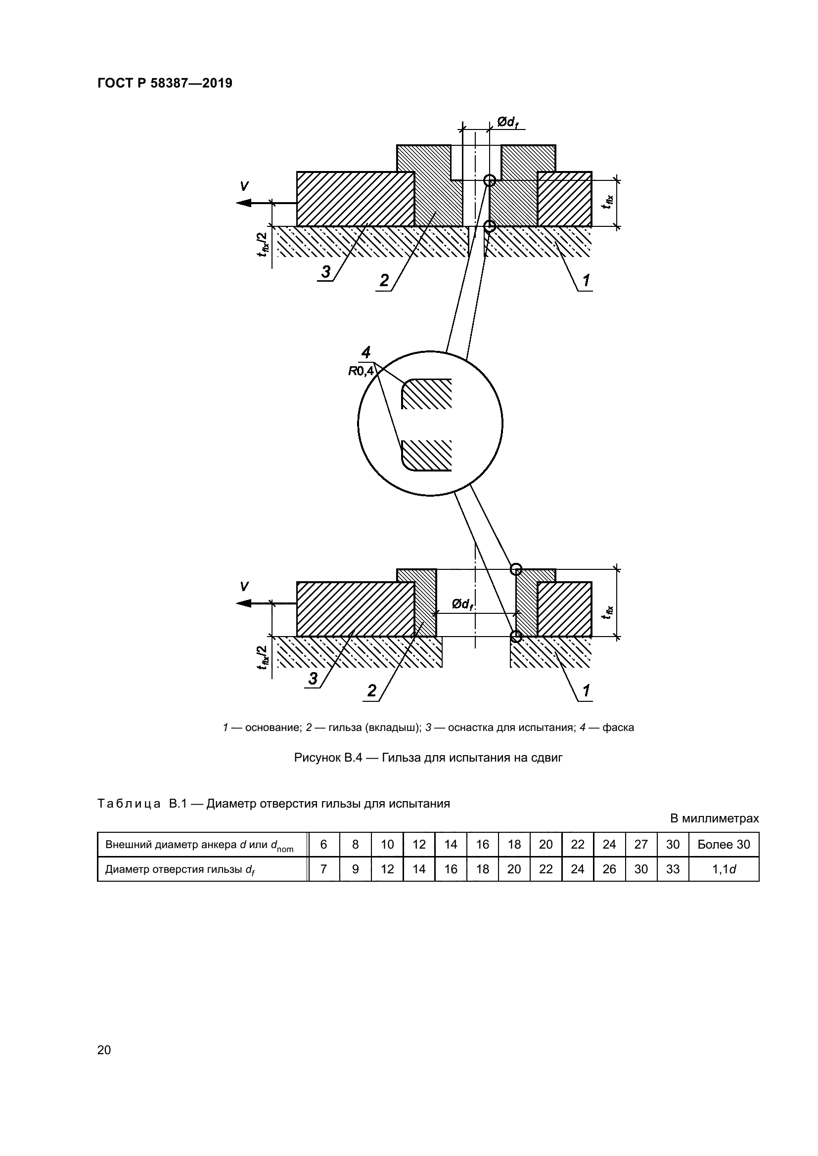
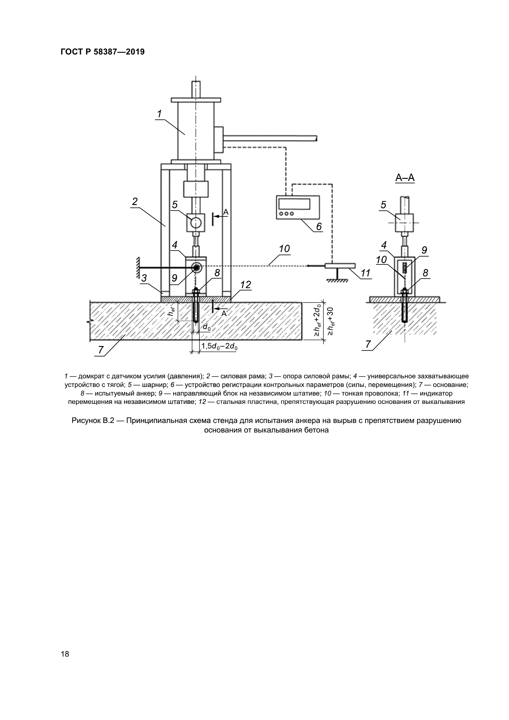
58387-2019
58387-2019